
Neowing
Honda在去年东京车展前夕发表了一系列概念车款,其中Neowing极具未来感如外星访客般的外型独领风骚,车展期间其高科技的配备与水平对卧四缸混合动力单元更是掀起一阵讨论话题,但车展过后便没了下文,Neowing的话题了无痕迹了。

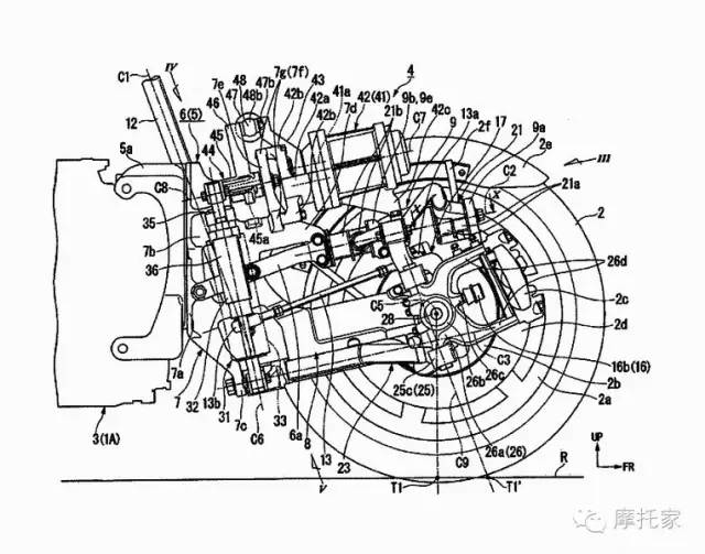
近日外媒截获的一份专利申请书,让原以为只能流于概念的Neowing看见了上市的一线生机,申请书夹杂于Africa Twin的风镜造型专利中企图掩人耳目,专利书中能看到非常详细的前悬吊结构,转向机、减震器甚至是卡前都清楚的呈现于图面。

庞大的机构意味着车重并不轻,重量约会落在420kg,而这样的车重也让动力单元的选用有了变数,Neowing可能会放弃原设定的水平对卧四缸混合动力引擎,改用Goldwing排气1,800c.c.水平对卧六缸引擎。

转向机构相当复杂,有着类似汽车所使用的下A臂结构。

与初期NC车系为基础的三轮车设计相比Neowing的机构明显更小且更扎实精致度也更高。
从中能够看到前轮悬挂各方面细节都已经相当完整,相信Honda已经掌握了相当的技术,至于是否会上市还是要回归到市场,总归Honda并没有放弃Neowing的开发计划

Yamaha MWT-9的三轮机构近似于早期Honda发表的NC系三轮车的设计,而这样的设计最终没被Honda所使用。

希望未来能有机会看到这台充满科技味的Neowing在街头奔驰的英姿。